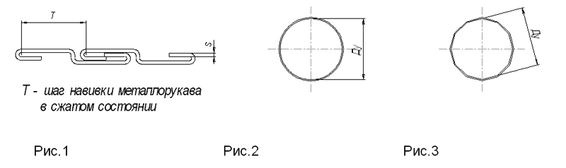
Металлорукава вальцованного типа (далее-металлорукава), являются гибкими трубопроводами, получаемыми навивкой по спирали предварительно спрофилированной и завальцованной в замок стальной ленты (см. Рис.1). Преимущества вальцованных металлорукавов: исключительная устойчивость к нагрузками поперечной деформации, высокое сопротивление скручиванию, устойчивость к химическому и тепловому воздействию.
Предназначены для защитных целей, а так же для использования в качестве вытяжных и отводных труб, уменьшения вибраций, компенсации монтажных неточностей соединяемых элементов трубопровода и их взаимных перемещений.
Металлорукава различают:
по материалу - из углеродистой стали или из нержавеющей стали;
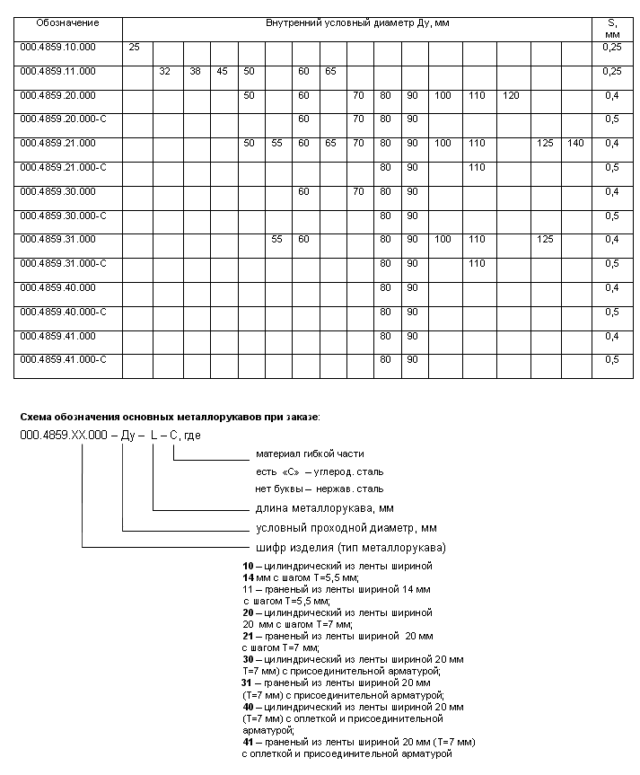
по поперечному профилю - цилиндрические (Рис.2) или граненые (Рис.3);
по ширине применяемой для изготовления ленты – 14 мм (S=0,25мм) или 20 мм (S=0,4 мм);

Предпочтительными в производстве и применении являются металлорукава граненого типа, которые обладают более высокой гибкостью.
Для повышения прочности и защиты вальцованного металлорукава от механических повреждений может применяться оплетка, которая изготавливается из стальной нержавеющей проволоки диаметром 0,4 мм.
Основные параметры и характеристики:
- Температура рабочей среды (продукты сгорания автомобильных двигателей): из углеродистой стали – до 400 ºС; из нержавеющей стали – до 650 ºС.
- Минимально допустимый радиус изгиба (по осевой линии) – 5Dу – 7Dу.
- Относительное осевое удлинение (%) из сжатого состояния при заданной нагрузке-цилиндрические -10; граненые – 15.
- Нагрузка растяжения – (0,1-0,4) кН.

По типу соединения металлорукава основного типа могут изготавливаться без присоединительной арматуры (под крепление хомутом) или с присоединительной арматурой под приварку (см. Эскизы ).
Кроме того, на базе основных типов металлорукавов на предприятии разработаны различные конструкции с другими видами присоединительной арматуры, например:
- фланцевое соединение (металлорукава 000.4859.42.000; 000.4859.70.000; 000.4859.97.000);
- металлорукава с тройником (000.4859.12.000; 000.4859.43.000);
- втулка разрезная с 2-х сторон ( 000.4859.87.000; 000.4859.94.000 и др.);
- втулка разрезная с одной стороны (000.4859.134.000 );
- втулка с 2-х сторон (000.4859.137.000);
- соединение фланец-втулка ( 000.4859.71.000; 000.4859.92.000 и др.);
- металлорукав под крепление хомутом с дополнительным экраном (000.4859.168.000).

